CL-YB-31(Ⅰ型)为沉孔加载,CL-YB-31(Ⅱ型)为螺孔加载,CL-YB-31(Ⅲ型)为通孔加载。它们具有优越的自然线性、外型低;广泛用于各类轨道衡、汽车衡、皮带秤、料斗秤、罐秤等电子秤中,以及工业系统中的分析和测量,也可作为自动控制元件。

主要技术参数:
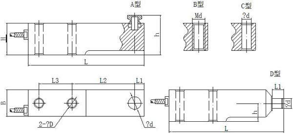
| 量程/尺寸 | L | L1 | L2 | L3 | B | H | h | D | d | 加载方式 | |||
| 50kg~100kg | 140 | 8 | 74 | 40 | 32 | 38 | Ф9 | Ф8 | C型 | ||||
| 200kg | 140 | 8 | 74 | 40 | 32 | 40 | Ф9 | Ф8 | C型 | ||||
| 300kg~500kg | 152 | 9 | 75 | 50 | 40 | 42 | Ф9 | Ф10 | C型 | ||||
| 100kg | 138 | 13 | 75 | 35 | 35 | 40 | 25 | 2-M10 | Ф12 | D型 | |||
| 200kg | 138 | 13 | 75 | 35 | 35 | 40 | 24 | 2-M10 | Ф12 | D型 | |||
| 300kg | 138 | 13 | 75 | 35 | 35 | 40 | 24 | 2-M10 | Ф12 | D型 | |||
| 0.5t~1t | 140 | 16 | 74 | 35 | 35 | 40 | 24 | 2-M10 | Ф15 | D型 | |||
| 0.5t~3t | 140 | 13 | 77 | 32 | 36 | 34 | Ф16.5 | M16×2 | B型 | ||||
| 0.5t~3t | 190 | 22 | 90 | 58 | 40 | 46 | Ф16.5 | M18×1.5 | B型 | ||||
| 0.5t~3t | 230 | 22 | 98 | 64 | 37 | 43 | 58 | Ф13 | Ф35 | A型 | |||
| 5t | 235 | 22 | 124 | 66 | 48 | 52 | 78.5 | Ф20 | Ф42 | A型 | |||
| 10t | 279 | 32 | 140 | 82 | 60 | 67 | 128 | Ф28 | Ф57 | A型 | |||
| 15t~20t | 318 | 38 | 159 | 89 | 70 | 82.5 | 144 | Ф34 | Ф70 | A型 | |||
| 特殊尺寸可按客户要求定制/可选数字式、高温型 | |||||||||||||
