该传感器具有精度高、安装简单、稳定性好、抗冲击性强、互换性好等特点,广泛应用于平台秤、料斗秤、汽车衡等衡器。

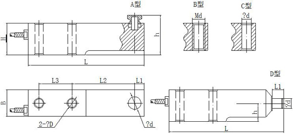
| 量程/尺寸 | L | L1 | L2 | L3 | B | H | h | D | d | 加载形式 |
| 50kg~100kg | 140 | 8 | 74 | 40 | 32 | 38 | ф9 | ф8 | C型 | |
| 200kg | 140 | 8 | 74 | 40 | 32 | 40 | ф9 | ф8 | C型 | |
| 300kg~500kg | 152 | 9 | 75 | 50 | 40 | 42 | ф9 | ф10 | C型 | |
| 100kg | 138 | 13 | 75 | 35 | 35 | 40 | 25 | 2-M10 | ф12 | D型 |
| 200kg | 138 | 13 | 75 | 35 | 35 | 40 | 24 | 2-M10 | ф12 | D型 |
| 300kg | 138 | 13 | 75 | 35 | 35 | 40 | 24 | 2-M10 | ф12 | D型 |
| 0.5t~1t | 140 | 16 | 74 | 35 | 35 | 40 | 24 | 2-M10 | ф15 | D型 |
| 0.5t~3t | 140 | 13 | 77 | 32 | 36 | 34 | ф16.5 | M16×2 | B型 | |
| 0.5t~3t | 190 | 22 | 90 | 58 | 40 | 46 | ф16.5 | M18×1.5 | B型 | |
| 0.5t~3t | 230 | 22 | 98 | 64 | 37 | 43 | 58 | ф13 | ф35 | A型 |
| 5t | 235 | 22 | 124 | 66 | 48 | 52 | 78.5 | ф20 | ф42 | A型 |
| 10t | 279 | 32 | 140 | 82 | 60 | 67 | 128 | ф28 | ф57 | A型 |
| 15t~20t | 318 | 38 | 159 | 89 | 70 | 82.5 | 144 | ф34 | ф70 | A型 |
| 特殊尺寸可按客户要求定制/可选数字式、高温型 | ||||||||||
